Makita RS002GT101 40 V Max Cirkelzaag 260 mm
260 mm cirkelzaag met links geplaatst zaagblad en achterhandgreep. Kan eventueel ook rechtshandig gebruikt worden door extra handgreep aan de linker zijde. Let op: deze machine is niet compatibel met de Makita geleiderail. Voorbereid voor Auto-start Wireless System (AWS) voor draadloze communicatie tussen accumachine en accustofzuiger. Optionele AWS unit WUT01 is als accessoire verkrijgbaar (198900-7). Verstekinstelling tot 56° mogelijk, vooringestelde stop op 22,5° en 45°. Externe stofafzuiging mogelijk. Hogere veiligheid: voorzien van elektrische motorrem voor snelle stop van het zaagblad. De soft start functie zorgt ervoor dat de machine rustig start. Duurzame, energiezuinige en onderhoudsvrije machine dankzij koolborstelloze motor. Zool en beschermkap uit gegoten magnesium, tandwielhuis van aluminium: daardoor lichter van gewicht. Voorzien van extra brede draaghaak: past om een standaard steigerpijp / ladder. Communicatie tussen machine en accu maximaliseert de werking van de machine en de beveiliging van de accu.
| Barcode | 0088381737661 |
|---|---|
| Merk | makita |
| logistic_length | 264 MM |
| logistic_width | 668 MM |
| logistic_weight | 10,6 KG |
| Softstart | Ja |
| Accu Platform | XGT 40 V Max |
| Softgrip | Yes |
| Type motor | BL-motor |
Onderdelen kunnen niet worden geretourneerd. Onderdelen worden meestal binnen 2 dagen verzonden.
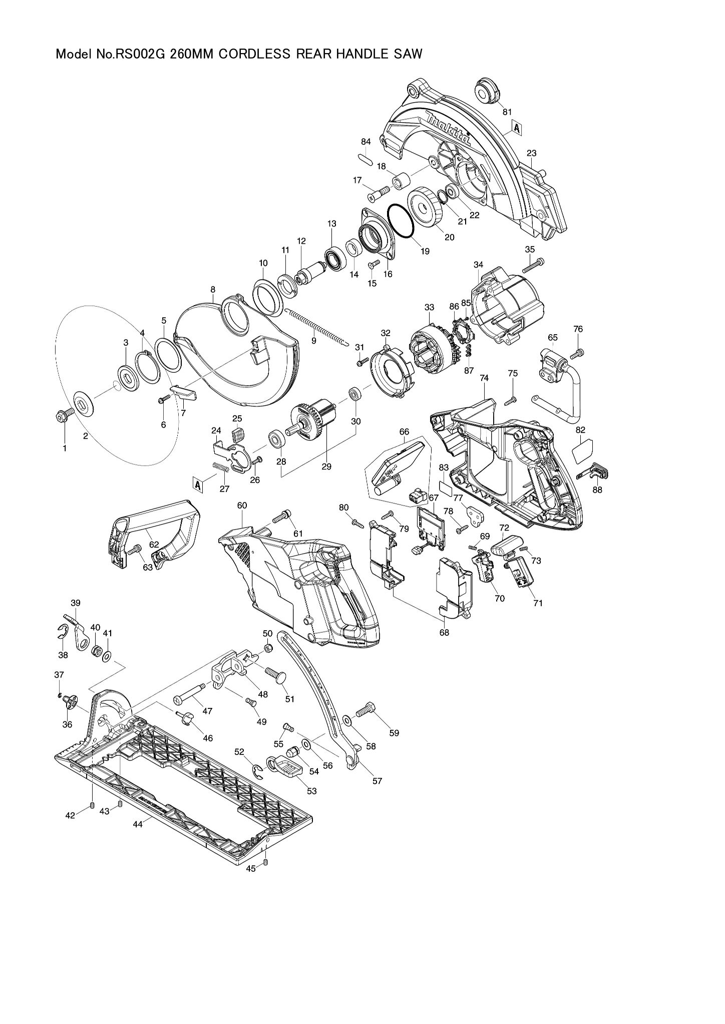
Download onderdelentekening PDF

| Onderdeel nummer | Art.nr. | Naam | Prijs, excl. BTW | Prijs, incl. BTW | In winkelwagen |
|---|---|---|---|---|---|
| 001 | 266400-6 | Makita 266400-6 Inbusschroef M8X20 DRS780 | € 0,95 | € 0,95 € 1,15 | |
| 003 | 224360-8 | Makita 224360-8 Binnenflens 40 Sr2600 N A | € 9,75 | € 9,75 € 11,80 | |
| 004 | 961202-2 | Makita 961202-2 Borgring S-45* | € 1,19 | € 1,19 € 1,44 | |
| 005 | 267219-6 | Makita 267219-6 Platte Ring 45 Hr4500C * | € 1,19 | € 1,19 € 1,44 | |
| 006 | 911531-3 | Makita 911531-3 Met.Schroef M4X18Mm Djr188 | € 0,95 | € 0,95 € 1,15 | |
| 007 | 271467-1 | Makita 271467-1 Hendel 40 RS002G | € 1,40 | € 1,40 € 1,69 | |
| 008 | 312A93-4 | Makita 312A93-4 Beschermkap RS002G | € 27,89 | € 27,89 € 33,75 | |
| 010 | 413356-6 | Makita 413356-6 Afstandbus RS002G | € 2,73 | € 2,73 € 3,30 | |
| 011 | 285809-3 | Makita 285809-3 Lagerborging 23-36 Ga7010 | € 2,12 | € 2,12 € 2,57 | |
| 012 | 326941-5 | Makita 326941-5 As DRS780 | € 4,01 | € 4,01 € 4,85 | |
| 013 | 210210-3 | Makita 210210-3 Kogellager 6003DDW A | € 5,57 | € 5,57 € 6,74 | |
| 014 | 257024-9 | Makita 257024-9 Ring 17 DRS780 | € 2,12 | € 2,12 € 2,57 | |
| 015 | 265034-2 | Makita 265034-2 Verzonkenschroef M5 A | € 0,95 | € 0,95 € 1,15 | |
| 016 | 312A94-2 | Makita 312A94-2 Lagerhuis RS002G | € 4,48 | € 4,48 € 5,42 | |
| 017 | 265B77-6 | Makita 265B77-6 Met.schr. M8x35mm RS002G | € 0,95 | € 0,95 € 1,15 | |
| 018 | 262200-2 | Makita 262200-2 Asbus rubber 10 RS002G | € 2,01 | € 2,01 € 2,43 | |
| 019 | 213676-6 | Makita 213676-6 O-Ring 53 Hs0600 | € 0,95 | € 0,95 € 1,15 | |
| 020 | 227873-8 | Makita 227873-8 Wormwiel 57 RS002G | € 6,46 | € 6,46 € 7,82 | |
| 021 | 961057-5 | Makita 961057-5 Borgring S-17 | € 0,95 | € 0,95 € 1,15 | |
| 022 | 210046-0 | Makita 210046-0 Kogellager 608Zz A | € 0,95 | € 0,95 € 1,15 | |
| 023 | 140Y58-8 | Makita 140Y58-8 Zaagkap RS002G | € 70,05 | € 70,05 € 84,76 | |
| 023C10 | 213434-0 | Makita 213434-0 O-Ring 26 Bss610 | € 0,95 | € 0,95 € 1,15 | |
| 024 | 347168-4 | Makita 347168-4 Asblokkering DRS780 | € 1,21 | € 1,21 € 1,46 | |
| 025 | 286039-9 | Makita 286039-9 Kap LS1019L | € 0,95 | € 0,95 € 1,15 | |
| 026 | 251529-1 | Makita 251529-1 Met.schroef M4x14mm DHS782 | € 0,95 | € 0,95 € 1,15 | |
| 027 | 232381-6 | Makita 232381-6 Drukveer 6 DHS782 | € 0,95 | € 0,95 € 1,15 | |
| 028 | 211289-7 | Makita 211289-7 Kogellager 6000Ddw Hm1213C A | € 14,52 | € 14,52 € 17,57 | |
| 029 | 519667-8 | Makita 519667-8 Anker RS002G | € 30,73 | € 30,73 € 37,18 | |
| 030 | 210022-4 | Makita 210022-4 KOGELLAGER 626DDW | € 2,73 | € 2,73 € 3,30 | |
| 031 | 911531-3 | Makita 911531-3 Met.Schroef M4X18Mm Djr188 | € 0,95 | € 0,95 € 1,15 | |
| 032 | 413359-0 | Makita 413359-0 Tussenplaat RS002G | € 4,01 | € 4,01 € 4,85 | |
| 033 | 629A40-1 | Makita 629A40-1 Veld RS002G | € 21,78 | € 21,78 € 26,35 | |
| 034 | 140Y63-5 | Makita 140Y63-5 Motorhuis RS002G | € 19,14 | € 19,14 € 23,16 | |
| 034C10 | 263002-9 | Makita 263002-9 Rubber Pen 4 6413 A | € 0,95 | € 0,95 € 1,15 | |
| 035 | 911258-5 | Makita 911258-5 Schroef 5X35 A | € 0,95 | € 0,95 € 1,15 | |
| 036 | 457963-5 | Makita 457963-5 Knop 22 Dsp600 | € 0,95 | € 0,95 € 1,15 | |
| 037 | 961017-7 | Makita 961017-7 Stopring E-3 A | € 0,95 | € 0,95 € 1,15 | |
| 038 | 257953-6 | Makita 257953-6 Borgring E-12 | € 0,95 | € 0,95 € 1,15 | |
| 039 | 271468-9 | Makita 271468-9 Hendel 56 RS001G | € 2,01 | € 2,01 € 2,43 | |
| 040 | 264006-4 | Makita 264006-4 Moer M8 | € 0,95 | € 0,95 € 1,15 | |
| 041 | 941202-8 | Makita 941202-8 Sluitring M8 A | € 0,95 | € 0,95 € 1,15 | |
| 042 | 266229-0 | Makita 266229-0 Zeskantbout M5X8 | € 0,95 | € 0,95 € 1,15 | |
| 043 | 266229-0 | Makita 266229-0 Zeskantbout M5X8 | € 0,95 | € 0,95 € 1,15 | |
| 044 | 312A92-6 | Makita 312A92-6 Basis RS002G | € 57,03 | € 57,03 € 69,01 | |
| 045 | 266229-0 | Makita 266229-0 Zeskantbout M5X8 | € 0,95 | € 0,95 € 1,15 | |
| 046 | 327760-2 | Makita 327760-2 Aanslag RS001G | € 3,47 | € 3,47 € 4,20 | |
| 047 | 251221-9 | Makita 251221-9 Schroef M6 | € 0,95 | € 0,95 € 1,15 | |
| 048 | 347169-2 | Makita 347169-2 Hoekgeleider DRS780 | € 2,38 | € 2,38 € 2,88 | |
| 049 | 256511-5 | Makita 256511-5 Kraagpin 6-7 Dhs680 | € 0,95 | € 0,95 € 1,15 | |
| 050 | 252014-7 | Makita 252014-7 Borgmoer M6 | € 0,95 | € 0,95 € 1,15 | |
| 051 | 266227-4 | Makita 266227-4 Bout M8x28mm HS003G | € 6,46 | € 6,46 € 7,82 | |
| 052 | 257953-6 | Makita 257953-6 Borgring E-12 | € 0,95 | € 0,95 € 1,15 | |
| 053 | 271433-8 | Makita 271433-8 Hendel 59 DRS780 | € 2,73 | € 2,73 € 3,30 | |
| 054 | 252240-8 | Makita 252240-8 Moer DRS780 | € 1,40 | € 1,40 € 1,69 | |
| 055 | 256511-5 | Makita 256511-5 Kraagpin 6-7 Dhs680 | € 0,95 | € 0,95 € 1,15 | |
| 056 | 941202-8 | Makita 941202-8 Sluitring M8 A | € 0,95 | € 0,95 € 1,15 | |
| 057 | 162958-2 | Makita 162958-2 Dieptegeleider RS002G | € 8,34 | € 8,34 € 10,09 | |
| 058 | 941202-8 | Makita 941202-8 Sluitring M8 A | € 0,95 | € 0,95 € 1,15 | |
| 059 | 251538-0 | Makita 251538-0 Inbusbout M8X24 DRS780 | € 0,95 | € 0,95 € 1,15 | |
| 060 | 183S81-4 | Makita 183S81-4 Handgreepset RS002G | € 42,63 | € 42,63 € 51,58 | |
| 060C10 | 263005-3 | Makita 263005-3 Rubber Pen 6 AC320H P | € 0,95 | € 0,95 € 1,15 | |
| 061 | 922343-9 | Makita 922343-9 Bout M6X25 Ak3622* | € 1,19 | € 1,19 € 1,44 | |
| 062 | 413355-8 | Makita 413355-8 Handgreep RS002G | € 8,34 | € 8,34 € 10,09 | |
| 063 | 911228-4 | Makita 911228-4 Schroef 5X20 | € 0,95 | € 0,95 € 1,15 | |
| 065 | 127771-5 | Makita 127771-5 Draaghaak cirkelzaag | € 5,20 | € 5,20 € 6,29 | |
| 066 | 620E67-8 | Makita 620E67-8 Controller RS002G | € 123,26 | € 123,26 € 149,14 | |
| 067 | 632P65-6 | Makita 632P65-6 Controleunit GA-40V serie | € 8,47 | € 8,47 € 10,25 | |
| 068 | 183S18-1 | Makita 183S18-1 Aansluitunit RS001G | € 4,01 | € 4,01 € 4,85 | |
| 068C10 | 263005-3 | Makita 263005-3 Rubber Pen 6 AC320H P | € 0,95 | € 0,95 € 1,15 | |
| 069 | 231433-0 | Makita 231433-0 Drukveer 4Mm | € 0,95 | € 0,95 € 1,15 | |
| 070 | 457432-6 | Makita 457432-6 Schakelaarknop DRS780 | € 1,21 | € 1,21 € 1,46 | |
| 071 | 651083-9 | Makita 651083-9 Schakelaar C3Xa-1Pspm Dsp600 | € 21,78 | € 21,78 € 26,35 | |
| 072 | 457431-8 | Makita 457431-8 Blokkeerknop DRS780 | € 1,21 | € 1,21 € 1,46 | |
| 073 | 231433-0 | Makita 231433-0 Drukveer 4Mm | € 0,95 | € 0,95 € 1,15 | |
| 074 | 183S81-4 | Makita 183S81-4 Handgreepset RS002G | € 42,63 | € 42,63 € 51,58 | |
| 074C10 | 263005-3 | Makita 263005-3 Rubber Pen 6 AC320H P | € 0,95 | € 0,95 € 1,15 | |
| 076 | 911228-4 | Makita 911228-4 Schroef 5X20 | € 0,95 | € 0,95 € 1,15 | |
| 077 | 347805-0 | Makita 347805-0 Borgplaat RS001G | € 1,21 | € 1,21 € 1,46 | |
| 081 | 286045-4 | Makita 286045-4 Kap RS002G | € 2,01 | € 2,01 € 2,43 | |
| 084 | 8012U4-2 | Makita 8012U4-2 Label XGT HS004G | € 0,95 | € 0,95 € 1,15 | |
| 085 | 652093-9 | Makita 652093-9 Met.schr. M2x5mm RS002G | € 0,95 | € 0,95 € 1,15 | |
| 086 | 632R96-7 | Makita 632R96-7 Sensorset RS002G | € 24,20 | € 24,20 € 29,28 | |
| 087 | 652069-6 | Makita 652069-6 Kruiskop Schroef M3X6 | € 0,95 | € 0,95 € 1,15 | |
| 088 | 140G30-2 | Makita 140G30-2 Afdekkap DSP601/DHR400 A | € 1,75 | € 1,75 € 2,12 | |
| 088C10 | 213218-6 | Makita 213218-6 O-Ring 16 HK1820 P | € 0,95 | € 0,95 € 1,15 | |
| 088C20 | 818H48-4 | Makita 818H48-4 Kap label DLS211 | € 0,95 | € 0,95 € 1,15 | |








