Makita UC011GT101 XGT 40 V Max kettingzaag 35 cm
5,0 Ah accu (1 st), snellader, in doos
Kettingwielbeschermkap met geïntegreerde moeren, voorkomt kwijtraken.Lage verbruikskosten door minder onderhoud en het ontbreken van brandstof.De kracht van brandstof (vergelijkbaar met een 40 - 45 cc brandstof kettingzaag), het gemak van accu. Traditionele kettingspanner.Hoge kettingsnelheid, 25,5 m/s, voor een goed snoeiresultaat.
Kettingwielbeschermkap met geïntegreerde moeren, voorkomt kwijtraken. Hoge kettingsnelheid, 25,5 m/s, voor een goed snoeiresultaat. Traditionele kettingspanner. Lage verbruikskosten door minder onderhoud en het ontbreken van brandstof. De kracht van brandstof (vergelijkbaar met een 40 - 45 cc brandstof kettingzaag), het gemak van accu.
| Barcode | 0088381762816 |
|---|---|
| Merk | makita |
| logistic_length | 543 MM |
| logistic_width | 265 MM |
| logistic_weight | 9,85 KG |
| Vermogen | 1,6/2,2 kW/pk |
| Accu Platform | XGT 40 V Max |
| Softgrip | Yes |
| Type motor | BL-motor |
Onderdelen kunnen niet worden geretourneerd. Onderdelen worden meestal binnen 2 dagen verzonden.
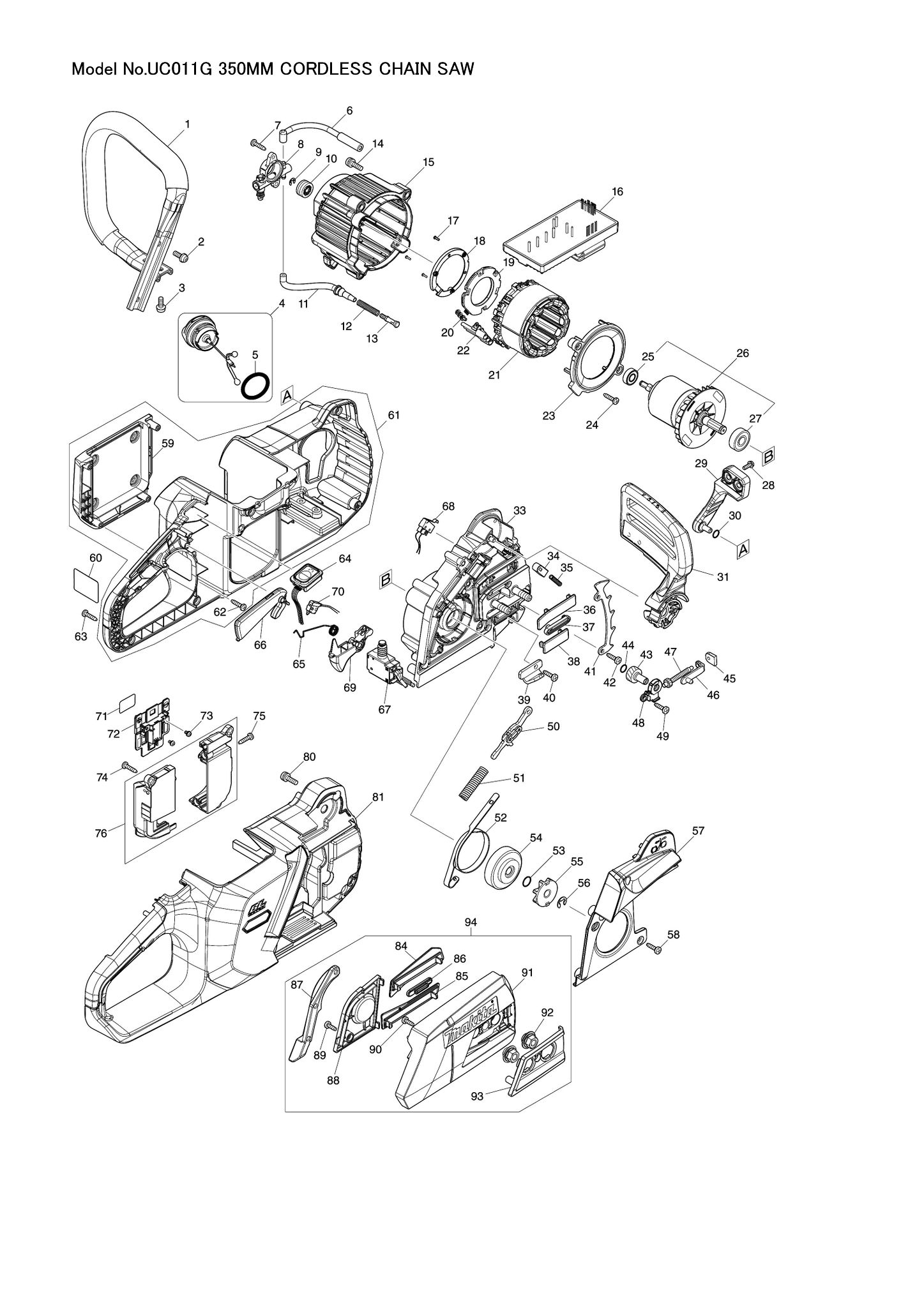
Download onderdelentekening PDF

| Onderdeel nummer | Art.nr. | Naam | Prijs, excl. BTW | Prijs, incl. BTW | In winkelwagen |
|---|---|---|---|---|---|
| 003 | 911218-7 | Makita 911218-7 MET.SCHROEF PH M5X14MM CK P | € 0,95 | € 0,95 € 1,15 | |
| 004 | 122A77-2 | Makita 122A77-2 Tankdop UC002G | € 13,41 | € 13,41 € 16,23 | |
| 005 | 213080-9 | Makita 213080-9 O-Ring 29,5Mm A | € 0,95 | € 0,95 € 1,15 | |
| 008 | 142857-4 | Makita 142857-4 Oliepomp DUC254 | € 17,10 | € 17,10 € 20,69 | |
| 009 | 961011-9 | Makita 961011-9 Stopring E-4 | € 0,95 | € 0,95 € 1,15 | |
| 010 | 226884-0 | Makita 226884-0 Wormtandwiel DUC353Z | € 1,21 | € 1,21 € 1,46 | |
| 012 | 231975-4 | Makita 231975-4 Drukveer Dcs230T | € 0,95 | € 0,95 € 1,15 | |
| 013 | 452666-6 | Makita 452666-6 Zuigkop DUC355/EA3201S A | € 0,95 | € 0,95 € 1,15 | |
| 014 | 911228-4 | Makita 911228-4 Schroef 5X20 | € 0,95 | € 0,95 € 1,15 | |
| 017 | 266490-9 | Makita 266490-9 Parker Ck 2X6Mm DDF483 A | € 0,95 | € 0,95 € 1,15 | |
| 018 | 687B69-9 | Makita 687B69-9 Stopper DHR400 | € 2,42 | € 2,42 € 2,93 | |
| 020 | 652031-1 | Makita 652031-1 Schroef M3X6 | € 0,95 | € 0,95 € 1,15 | |
| 025 | 210016-9 | Makita 210016-9 Kogellager 698Zz | € 5,76 | € 5,76 € 6,97 | |
| 027 | 210059-1 | Makita 210059-1 Kogellager hoog T LM004 P | € 4,42 | € 4,42 € 5,35 | |
| 030 | 213594-8 | Makita 213594-8 O-Ring 7 Ps32C* | € 0,95 | € 0,95 € 1,15 | |
| 033C10 | 263002-9 | Makita 263002-9 Rubber Pen 4 6413 A | € 0,95 | € 0,95 € 1,15 | |
| 035 | 234210-9 | Makita 234210-9 Drukveer 6 Ea3201S A | € 0,95 | € 0,95 € 1,15 | |
| 040 | 266034-5 | Makita 266034-5 Tapschroef Ct4X16 A | € 0,95 | € 0,95 € 1,15 | |
| 042 | 266034-5 | Makita 266034-5 Tapschroef Ct4X16 A | € 0,95 | € 0,95 € 1,15 | |
| 044 | 213594-8 | Makita 213594-8 O-Ring 7 Ps32C* | € 0,95 | € 0,95 € 1,15 | |
| 049 | 266034-5 | Makita 266034-5 Tapschroef Ct4X16 A | € 0,95 | € 0,95 € 1,15 | |
| 050 | 141E60-4 | Makita 141E60-4 Koppelplaat UC002G | € 5,75 | € 5,75 € 6,96 | |
| 051 | 232452-9 | Makita 232452-9 Drukveer 7 AS1925 P | € 0,95 | € 0,95 € 1,15 | |
| 053 | 213060-5 | Makita 213060-5 O-Ring 10 Duc353 | € 0,95 | € 0,95 € 1,15 | |
| 054 | 162979-4 | Makita 162979-4 Remtrommel UC002G | € 9,34 | € 9,34 € 11,30 | |
| 055 | 191V90-7 | Makita 191V90-7 Kettingtandwiel 6 UC002G | € 7,27 | € 7,27 € 8,80 | |
| 056 | 961013-5 | Makita 961013-5 Stopring E-7 | € 0,95 | € 0,95 € 1,15 | |
| 058 | 266034-5 | Makita 266034-5 Tapschroef Ct4X16 A | € 0,95 | € 0,95 € 1,15 | |
| 064C10 | 810D46-0 | Makita 810D46-0 Label A/U AS1925 | € 2,73 | € 2,73 € 3,30 | |
| 070 | 632L49-0 | Makita 632L49-0 Schakelaar DUC254Z | € 9,32 | € 9,32 € 11,28 | |
| 073 | 652031-1 | Makita 652031-1 Schroef M3X6 | € 0,95 | € 0,95 € 1,15 | |
| 076C10 | 263005-3 | Makita 263005-3 Rubber Pen 6 AC320H P | € 0,95 | € 0,95 € 1,15 | |
| 080 | 911228-4 | Makita 911228-4 Schroef 5X20 | € 0,95 | € 0,95 € 1,15 | |
| 092 | 162493-0 | Makita 162493-0 Flensmoer DUC355 A | € 3,57 | € 3,57 € 4,32 | |









